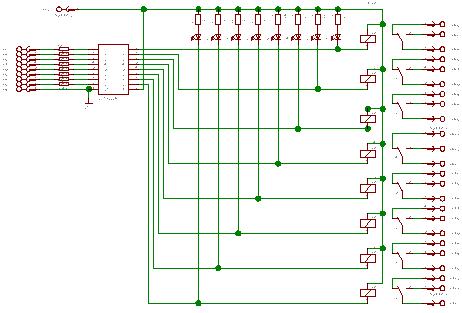
Relay board for eight relays


Not mutch to say except that this was one of the first Eagle projects for me.
Files are here.
220 Volt is deadly!





home